您好,欢迎访问乐竞官方网页版网站!

联系我们

联系我们

乐竞官方网页版

手机:133-4266-6888

电话:0769-81383685

邮箱:changmin896@163.com

地址:广东省东莞市石排镇庙边王龙田西路1号

网址:www.yourpayrollshop.com/

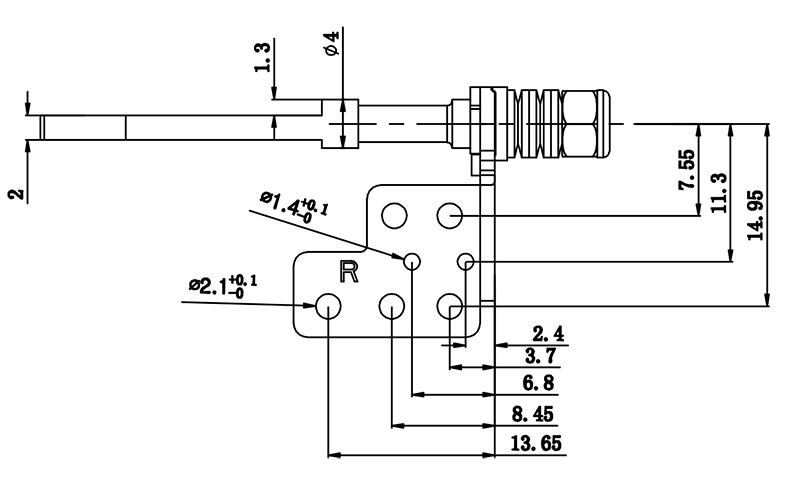
键盘转轴 CM054-001

规格:CM054-001
外观:电镀亮镍
扭力:4.5-5KGF.CM
寿命:10000次,衰减率小于20%
材质:SK7+1215
咨询热线:133-4266-6888

产品介绍

键盘转轴 CM054-001      
平板电脑键盘转轴,采用经典的垫片结构,最大外径5MM,有效节省装配空间,核心部件采用特殊材质,寿命超长。
 


专注精密五金转轴实体厂家
专业转轴工程师为您的产品量身定制各类转轴
地址:广东省东莞市石排镇庙边王龙田西路1号
电话:0769-81383685
手机:133-4266-6888
Copyright © 2021 乐竞官方网页版 版权所有,违权必究 粤ICP备18051942号
咨询

电话

133-4266-6888

扫一扫加微信

扫一扫加微信

扫一扫加微信

公众号

微信公众号

微信公众号

微信小程序

微信小程序

微信小程序